來源:遠東泵業 發布日期
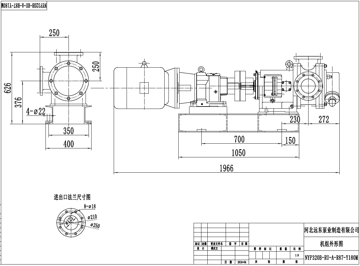
2019-03-09 14:00 瀏覽:-高粘度齒輪泵適用介質溫度:-10℃ - 150℃NYP高粘度泵適用介質粘度:1.0cst - 300,000cst高粘度泵應用: NYP高粘度泵適用于石油、化工、涂料、油脂、醫藥、染料、食物等行業.高粘度齒輪泵輸送液體平穩、無脈動、振動小、噪音低。

【本文標簽】:齒輪泵型號 齒輪油泵價格 齒輪泵參數 齒輪泵型號大全
【責任編輯】:遠東泵業 版權所有:http://m.axnkx.cn/轉載請注明出處